• Saltar a la navegación principal
  • Saltar al contenido principal
  • Saltar a la barra lateral principal
icono mantenimiento electrico pequeño

Mantenimiento Eléctrico Industrial

Blog dedicado a todo lo relacionado con el mantenimiento eléctrico industrial, eficiencia energética y zonas clasificadas.

  • Inicio
  • Mantenimiento Industrial y Profesional
  • Electricidad Hogar y Bricolaje
  • Medida Profesional
  • Contacto

Arranque Estrella-Triángulo: Esquemas de Mando, Fuerza y Material (Guía 2026)

15/02/2026 by Juanan Deja un comentario

Arrancador estrella triángulo

Utilizar un arrancador estrella triángulo era casi la única opción para limitar el pico de arranque de un motor y de esta manera evitar todos los problemas que conllevan los arranques directos, sobre todo en instalaciones pequeñas. En este post vamos a analizar en detalle cómo funcionaba este arranque y porque hoy día hay alternativas infinitamente mejores y mucho más eficaces.

Contenido

    • 0.1 📂 Los Esquemas que buscas
    • 0.2 ⚙️ Material Crítico para el Montaje
  • 1 Qué significan las conexiones estrella triángulo en un motor trifásico
  • 2 ¿Por qué existen diferentes tensiones de distribución?
  • 3 ¿Cuál es el objetivo de un arrancador estrella-triangulo?
  • 4 Principios de funcionamiento de un arrancador estrella triángulo
    • 4.1 Ventajas e inconvenientes de un arrancador estrella-triángulo.
  • 5 Arrancador estrella-triángulo vs arrancador suave
    • 5.1 💎 La Simplicidad Definitiva: Potencia + Mando Integrados

📂 Los Esquemas que buscas

Haz clic para ampliar o guardar la imagen para tu montaje.

Esquema de FUERZA (Potencia) Esquema de fuerza arranque estrella triángulo
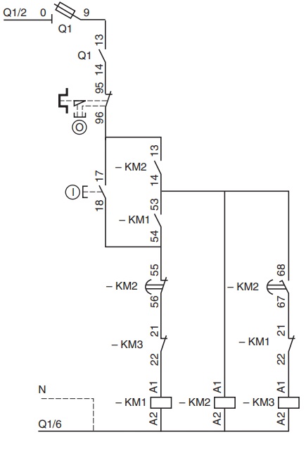
Esquema de MANDO (Maniobra) Esquema de mando arranque estrella triángulo con temporizador

Aunque ya hemos visto cómo limitar la intensidad de arranque de un motor eléctrico no analizamos en detalle el arranque estrella triangulo. Este tipo de configuración está muy extendida ya que era casi la única opción para limitar el pico de intensidad de arranque de un motor eléctrico.

⚙️ Material Crítico para el Montaje

No te la juegues con componentes sueltos. Para la conmutación Estrella-Triángulo, la seguridad mecánica es obligatoria.

SEGURIDAD TOTAL
🔒 Pack Contactores con Enclavamiento Mecánico

La única forma 100% segura de evitar un cortocircuito entre fases. Si un contactor se queda pegado, la pieza mecánica impide físicamente que entre el otro.

Ver Kit Enclavado ➔

Busca: "Inversor de giro" o "Enclavamiento mecánico"

⏱️ Temporizador Estrella-Triángulo

No vale un temporizador normal. Necesitas uno con tiempo de pausa (transición) entre la Y y la Δ para extinguir el arco eléctrico antes de cerrar el triángulo.

Ver Temporizador Específico ➔

Qué significan las conexiones estrella triángulo en un motor trifásico

Antes de ver en detalle un arrancador estrella triangulo vamos a explicar qué quiere decir y desmontar muchos de los mitos que se oyen en la calle al respecto a este tipo de arranques. Los motores trifásicos están compuestos por unos bobinados que tienen una tensión nominal de funcionamiento. Esto es muy importante, solo tienen una tensión de trabajo. Para que os hagáis una idea hay motores en baja tensión que pueden trabajar desde los 230 Voltios hasta los 690 Voltios. Fijaros qué hablamos de la tensión de trabajo del bobinado, en ningún momento hemos hablado de la tensión de alimentación.
Acabamos de comprar un motor que se puede alimentar a 220 voltios y 380 voltios te preguntarás cómo es posible. Pues la respuesta es que depende de cómo conectemos las bobinas, es decir en triángulo o en estrella, pero no tiene nada que ver con la tensión de red. Observa la imagen que tienes a continuación,

 

placa de bornes con puentes estrella triángulo

Si ponemos las tres plaquitas en paralelo, en triángulo, lo que estamos haciendo es unir el final de una bobina con el principio de otra. De esta forma cuándo conectemos las tres fases al motor los bobinados recibirán directamente la tensión de la red. Si nuestro motor es de 230 voltios y lo tenemos en triángulo, la tensión de la red tendrá que ser 230 voltios. Esto es debido a que someteremos a las bobinas a la tensión de red directa.

Vayamos a por la estrella. En este caso lo que hacemos es unir los tres finales de las bobinas en un único punto. Pero no os preocupéis que lo que estamos haciendo al juntar el final de las tres bobinas es crear un neutro “virtual”, es decir un punto con 0 voltios. Con lo cuál la tensión a la que someteremos a nuestras bobinas será la tensión de red dividida por raíz de 3. O lo que es lo mismo 400/raíz de 3 que son los 230 voltios.

Si nuestra tensión de red es de 400 voltios y nuestro motor tiene unos bobinados a 230 voltios lo deberemos conectar en estrella.

Fijaros que independientemente de cómo se conecte el motor (estrella-triángulo), las bobinas SIEMPRE trabajarán a 230 voltios. Con esto debe quedar claro que un motor tendrá la misma fuerza independientemente de su conexión, siempre que el bobinado reciba su tensión nominal. Pero aún hay más, un motor asíncrono (los más habituales y que se conectan en estrella-triángulo) tendrán una velocidad de giro función de la frecuencia de red. Es muy importante que graves estos dos principios, primero que el motor tendrá la potencia nominal a su tensión de trabajo y la velocidad de giro es función de la frecuencia. 

A continuación os dejamos un vídeo dónde de una forma un poco más gráfica verás el conexionado estrella-triángulo

¿Por qué existen diferentes tensiones de distribución?

Aunque no es objeto de la entrada de forma directa, algo tiene que ver. Si tuvieras que montar una industria y te dan a elegir entre las siguientes tensiones nominales de tus motores (230 V – 400 V – 690 V) y de distribución en tú instalación, cuál escogerías? La respuesta es muy sencilla, 690 Voltios. Por dos motivos.

El primero es que a la misma potencia una mayor tensión implica una menor intensidad. Por este motivo la tensión viaja a miles de voltios. Las pérdidas de potencia en los sistemas eléctricos dependen de la intensidad y no de la tensión. Cuánta más intensidad hacemos pasar por un cable más se calienta.

El segundo es causa del primero. Con menos sección de cobre podremos llevar la misma potencia y al precio de este os aseguro que los ahorros en las instalaciones suelen ser importantes.

¿Cuál es el objetivo de un arrancador estrella-triangulo?

Ya hemos visto que la velocidad de giro de un motor depende de la frecuencia, no de la tensión. Y que su potencia nominal la da a tensión nominal (esto no es cierto del todo pero para el público en general nos sirve). ¿Entonces qué busca un arrancador estrella-triángulo?

La respuesta es limitar el pico de intensidad durante el arranque del motor eléctrico. El arranque de un motor eléctrico es un cortocircuito de muy poca duración, cuánto mayor es el motor mayor será este cortocircuito. En instalaciones industriales podemos ver picos de arranque de 13 veces la intensidad nominal de un motor. Un motor que tenga una nominal de 10 Amperios puede llegar en el arranque a 130 Amperios, y alguien debe suministrar esa potencia durante el arranque.

Imaginad que debéis contratar la potencia eléctrica para el arranque de un motor de 130 Amperios, solo el fijo que tienen las compañías en España nos supondría una ruina. O que ese pequeño motor debe ser alimentado por un generador. Necesitaremos un buen motor diésel que sea capaz de soportar ese pico de intensidad en el arranque. Por este motivo se utilizan sistemas de arranque buscando limitar la intensidad cómo el arranque estrella-triánqulo.

Principios de funcionamiento de un arrancador estrella triángulo

Ya hemos visto que implicaciones tienen las conexiones en estrella y triángulo. También sabemos cuál es el objetivo de nuestro arranque estrella-triangulo. Ahora analicemos en detalle su principio de funcionamiento.
Un arranque estrella-triángulo lo que hace es en un primer momento alimentar un motor trifásico a una tensión inferior a su tensión nominal de trabajo (estrella) durante un breve tiempo que suele ser el tiempo que consigue la velocidad nominal de giro, para a continuación elevar la tensión de alimentación a su tensión nominal (estrella).

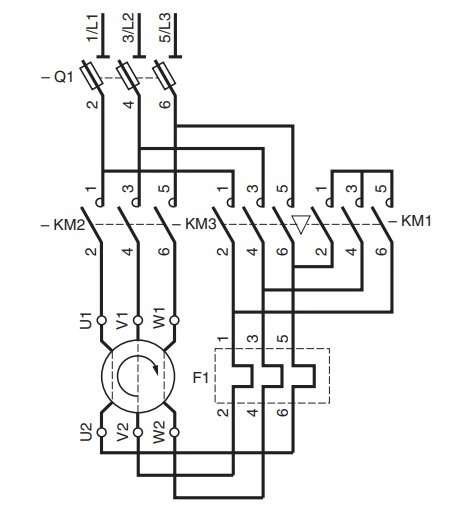
Con un ejemplo lo veréis de forma mucho más gráfica. No cogeré el motor del principio para que veáis una situación real con una red de 400 voltios. Tenemos un motor que puede funcionar a 400 Voltios en triángulo y 690 Voltios en estrella. Nuestra red es de 400 Voltios. Y realizamos el típico esquema de conexionado estrella-triángulo,

esquema conexionado potencia

Cuándo el sistema arranca alimentamos el motor en estrella a 400 Voltios, (KM1 + KM3) con lo que nuestros bobinados estarán recibiendo 230 Voltios. Al reducir la tensión de alimentación a nuestros bobinados lo que habremos conseguido es reducir el pico de arranque  y llevar nuestro motor a velocidad nominal. A continuación el arrancador lo que hace es pasar a alimentar el motor en triángulo (KM1 + KM2). De esta forma el motor pasará a estar alimentado a su tensión nominal.

Ventajas e inconvenientes de un arrancador estrella-triángulo.

Si habéis sido observadores os habréis dado cuenta de los inconvenientes que tiene este tipo de arranque pero los vamos a revisar de todas formas.

El primer problema es que el motor eléctrico debe ser capaz de arrancar a tensión reducida. Cuándo limitamos la tensión de arranque lo que hacemos es reducir también su par de arranque. Esto en aplicaciones que demanden un alto par de arranque no será posible.

Al estar arrancando a tensión reducida la intensidad que consumirá el motor subirá de forma proporcional a la bajada de tensión. Un motor eléctrico es una máquina muy noble. Intentará entregar siempre la potencia que se le demande, aunque se acabe quemando. Mientras esté alimentado por debajo de su tensión nominal la intensidad que consumirá estará “castigando” a los devanados. Por este motivo ese paso tiene que ser lo más rápido posible.

Otro problema añadido que tienen este tipo de arranques es que debemos llevar hasta el cuadro de alimentación 6 venas, para poder hacer las conexiones estrella-triángulo en el cuadro. Además necesitamos tres contactores con un temporizador que deberemos ajustar de una forma poco precisa ya que es posible que cada arranque sea diferente.

En cuánto a ventajas la única que podremos encontrar es su coste, aunque tenemos nuestras dudas. Ya que el ahorro que suponen otro tipo de sistemas de arranque creemos que justifican la no utilización de un arrancador estrella-triangulo.

Si ya tienes un arrancador estrella-triángulo y funciona lo mejor es que lo dejes, aunque el cambio es sumamente sencillo. Pero si debes buscar sistemas de arranque puedes continuar el siguiente punto.

Arrancador estrella-triángulo vs arrancador suave

En el punto anterior hemos visto los inconvenientes. Vamos a revisar punto por punto si estos inconvenientes los tiene el arrancador.

Los arrancadores suaves en principio tienen el mismo problema que un arrancador estrella-triangulo, en referencia a aplicaciones con alta demanda de par. Pero los fabricantes han dotado a estos de funciones que incluso en aplicaciones de mucho par inicial poder arrancar implementando pulsos de tensión para el el motor empiece a girar.

Los arrancadores suaves tienen un gran ventaja ya que la transición no la hacen en un escalón de tensión, sino que van subiendo la tensión de forma progresiva controlando la tensión y protegiendo al motor.  

Otra gran ventaja de los arrancadores suaves es que cómo vamos a acabar alimentando a la tensión nominal de la red, únicamente necesitamos tres venas de manguera, y dejar la conexión directamente en triángulo. 

💎 La Simplicidad Definitiva: Potencia + Mando Integrados

Olvídate de la maraña de cables del Estrella-Triángulo. Aquí tienes todo el montaje en un solo vistazo.

Instalación Real Esquema conexionado arrancador suave potencia y mando juntos

L1-L2-L3 (Red) ➔ Arrancador ➔ U-V-W (Motor) | + 2 cables de marcha. ¡Listo!

¿Por qué complicarse?

  • ❌ Adiós a los 3 contactores.
  • ❌ Adiós al temporizador.
  • ❌ Adiós al enclavamiento mecánico.
  • ✅ Menos cables = Menos fallos.

Desde 80€ (Marcas genéricas) o 250€ (Schneider)

Ver Arrancadores Disponibles ➔

Dejando a un lado el precio, una de las grandes ventajas que tiene un arrancador suave es el espacio que ocupa y la posibilidad de controlar el arranque de una forma mucho más precisa. 

🔧

Kit de Diagnóstico: Averías en Estrella-Triángulo

Cuando un arranque estrella-triángulo falla, el problema suele estar en un temporizador desajustado o en los contactos de potencia fogueados. Para diagnosticar si las tres fases están llegando correctamente al motor durante la transición (sin causar un cortocircuito cruzado), necesitas instrumentación de comprobación industrial.

  • Mide la continuidad de las bobinas de los contactores.
  • Comprueba la caída de tensión en los contactos de potencia.
  • Verifica la secuencia de fases antes del arranque.
Ver Multímetros Industriales Recomendados ➔

Cómo siempre tenéis los comentarios abiertos para cualquier duda o sugerencia que pudiese surgir. Si te ha parecido interesante el contenido con los enlaces que tienes a continuación podrás compartirlo directamente, también podéis ayudar al mantenimiento de este blog con algún donativo. Y sobre todo mil gracias por visitarnos.

mantenimiento preventivo punto caliente termografia real portada

Termografía en Cuadros Eléctricos: Ejemplo Práctico de Mantenimiento Predictivo

02/04/2026 No hay comentarios
Read More »
Cuadro relés control de par Emotron M-20

El asesino silencioso de tus bombas herméticas: Cómo destrozar 15.000€ por ahorrar 500€ en el cuadro eléctrico

29/03/2026 No hay comentarios
Read More »

El espejismo de la energía ininterrumpida: Por qué tu sistema de respaldo fallará cuando más lo necesites

29/03/2026 No hay comentarios
Read More »

Publicado en: Mantenimiento Industrial y Profesional

Interacciones con los lectores

Deja una respuesta Cancelar la respuesta

Tu dirección de correo electrónico no será publicada. Los campos obligatorios están marcados con *

Barra lateral principal

PRO
📊

¿Gestionas Mantenimiento?

Deja de usar libretas y papeles sueltos.
Descarga mi Plantilla GMAO en Excel para controlar Órdenes y Stock.

Sin cuotas mensuales.

Ver Herramienta 📥

Entradas recientes

  • Termografía en Cuadros Eléctricos: Ejemplo Práctico de Mantenimiento Predictivo
  • El asesino silencioso de tus bombas herméticas: Cómo destrozar 15.000€ por ahorrar 500€ en el cuadro eléctrico
  • El espejismo de la energía ininterrumpida: Por qué tu sistema de respaldo fallará cuando más lo necesites
  • Instalar 2 diferenciales: Esquemas en paralelo y en cascada (Selectividad) para evitar apagones
  • Mantenimiento de Alta Tensión: El «asesino químico» que destruye tus celdas (y tu presupuesto)

  • Aviso Legal
  • Política de Privacidad
  • Política de cookies
Utilizamos cookies para asegurar que damos la mejor experiencia al usuario en nuestra web. Si sigues utilizando este sitio asumiremos que estás de acuerdo.